15
nových článků - klikněte pro zobrazení

Výsledky hledání “15周年記念SP ラップ1枚隔ててお父さんと素股体験してみませんか?

4 čeští debutanti v aktuální sezoně NHL. Co předvedli v elitní zámořské hokejové lize?

23.března » SportRevue.cz
V současném ročníku NHL se dosud objevilo 28 českých hráčů. Pro čtyři z nich šlo o první zkušenost s nejlepší hokejovou soutěží světa.

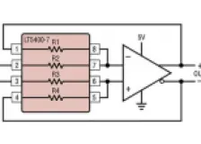
Výběr komponent měřícího obvodu pro dosažení rozlišení 7,5 číselných pozic

Dosažení rozlišení 7,5 číselných pozic u přesných měřicích systémů vyžaduje pečlivý výběr klíčových analogových komponent – od ADC přes referenční zdroj až po zesilovače a rezistorové sítě. Kombinace nízkého šumu, minimálního driftu a stabilních poměrů p…

Pohledem dronu: Poznáte obec na Kutnohorsku z ptačí perspektivy?

23.března » Kutnohorský deník
Všímáte si svého okolí? Samozřejmě ano. Ale poznáte města a obce na Kutnohorsku podle detailů? Zkuste to s fotokvízem Deníku. Tentokrát ale pro vás máme skutečný oříšek. Poznáte místo podle záběrů z dronu?

Příběh lásky, který pokračuje – Prima LOVE rozdává lásku na obrazovkách už patnáct let

22.března » CelebrityTime
Nejromantičtější televizní kanál v Česku, Prima LOVE, zažívá nejvýznamnější milník v dospívání. V neděli 8. března na Mezinárodní den žen totiž oslavil své patnácté narozeniny. Divačkám přináší po celý rok nejen oblíbené romantické stálice, jakou jsou fi…

Rapper Hard Rico se u soudu přiznal. Ostře sledovaný proces na vstupenky

23.března » TV Polar
Největší soudní síň kompletně plná. Novináři se dovnitř dostali na vstupenky. U ostravského krajského soudu začal v pondělí ráno ostře sledovaný proces s rapperem Hard Ricem. Podle obžaloby měl, vlastním jménem Enrico Pešta, spolu s dalšími lidmi vymysle…

Češi v akci, sobota 21. 3. Pět nadějí na Masters, Valdmannová o největší finále

21.března » TenisPortal.cz
Jakub Menšík zahájí obhajobu senzačního loňského triumfu na Masters v Miami, kde odehraje druhé kolo také Tomáš Macháč. Už o osmifinále budou bojovat Karolína Muchová s Marií Bouzkovou a útok na Sunshine Double odstartuje Kateřina Siniaková. Vendula Vald…

Poslední rozloučení: týdenní přehled smutečních obřadů na Kutnohorsku

/SMUTEČNÍ OZNÁMENÍ/ Zarmoucení pozůstalí se v týdnu od 23. do 29. března na Kutnohorsku naposledy rozloučili se svými blízkými zesnulými.

Připravujeme daňovou i zdravotnickou reformu, řekl lídr opozice Martin Kupka

12.března » Deník.cz
Stínová vláda? Opoziční práce má smysl. Ve čtvrteční debatě 15 minut Kateřiny Perknerové na Deník.cz to uvedl předseda ODS Martin Kupka. Úkolem opozice je podle něj mimo jiné předkládat návrhy a konfrontovat s nimi vládu. I s vědomím toho, že opoziční st…

© 2000-2026 ANNECA s.r.o., Klíšská 977/77, 400 01 Ústí nad Labem, Tel: +420 478571021, Email: info@pravednes.cz, Twitter: @pravednes